Negadyn

ad30-radio ad amplificazione diretta con circuito Numans-Roosenstein

Altro non è che una radio ad amplificazione diretta a reazione 

 che utilizza il circuito oscillante Numans-Roosestein realizzato su una BIGRIGLIA.

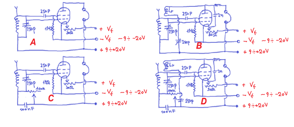
In fig.1  dove sono rappresentati vari tipi di Negadyn si nota che la reazione è regolata dal reostato di 30 Ω capace di modificare la corrente del catodo filamento e/o  da quello di 100K Ω che modifica la tensione di alimentazione della griglia di campo.

in fig,1 A è rappresentata la negadyn più semplice , in fig.1B è stata aggiunta la bobina Lr  che determina una ulteriore reazione, regolata da un condensatore variabile,  e rende la radio più selettiva e sensibile rispetto alla semplice negadina di fig.1A.

in fig.1C è stato aggiunto il potenziometro da 100K che permette di regolare la reazione della griglia di campo; in questo caso il reostato del filamento può essere eliminato e può essere utilizzata anche una valvola (bigriglia) ad alimentazione indiretta.

In fig.1D è rappresentato uno schema uguale a quello di fig.1C con l'aggiunta della bobina di reazione Lr

La reazione prodotta dalla bobina Lr è regolata dal condensatore variabile da 250pF.

fig.1
fig.1

Poichè le bigriglia sono praticamente introvabili e le pochissime presenti sul mercato costano  "un occhio della testa"  per la mia realizzazione ho utilizzato un pentodo russo (2Ж27Л -2Z27L-), che costa cento volte di meno o giù di li, modificato come indicato in calce allo schema del ricevitore da me realizzato (fig,3).

 

In fig 2 è mostrata la valvola russa privata della schermatura in alluminio e montata su zoccolo UX4

fig.2
fig.2

Le caratteristiche della valvola 2Z27L sono :

tensione filamento : 2,2 V

corrente filamento : 55 m A

tensione anodo 120 - max 200

corrente anodo : 1,9  mA transconduttanza 75 mA/V 

 

In fig.3 è rappresentta la radio da me realizzata.

fig.3
fig.3

Al posto della valvola russa si può utilizzare il pentodo a riscaldamento indiretto EF80 ( o altro pentodo simile) trasformato in bigriglia come mostrato in fig.4 ; in questo caso, data la oggettiva dfficoltà di regolare la reazione col solo reostato del filamemnto a causa delle dimensioni del catodo e della sua inerzia termica, è  opportuno realizzare un reostato di almeno 100 KΩ adatto a regolare la tensione positiva della griglia di campo, come indicato in fig.1C e fig.1D,

fig.4
fig.4

In fig.5 è raffigurato il pentodo EF80 trasformato in bigriglia e montato su zoccolo UX4

fig.5
fig.5

Le caratteristiche della valvola EF80  sono :

tensione filamento : 6,3 V

corrente filamento : 0,3 A

tensione anodo 170 - max 200

corrente anodo :10 mA transconduttanza 6,8 mA/V 

galleria fotografica